أخبارنا المغربية
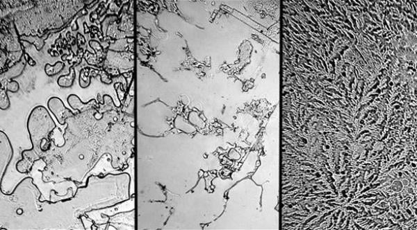
كانت المفاجأة صدمة لفيشر، التي درست نحو 100 نوع مختلف من الدموع لتقارنها ببعضها كما تبدو تحت المجهر.

دموع بين تقشير البصل، والضحك، والحزن والحماس، والألم والأسى، أخذت فيشر تتأملها لتكتشف عالماً آخر حيث الدموع شخصيات بحد ذاتها، وأقرب للوحة فنية ما.

ففي مشروعها الفني "تصوير الدموع" اكتشفت فيشر أن في تلك القطرة الصغيرة تجربة مختلفة لكل حالة، بشكل أقرب للخيال.
وتقول فيشر: "اللافت أكثر من هذه المفاجأة، أن شكل دموع الحز مثلاً يبدو أقرب للوحة تشكيلية تثير فيك هذا الشعور، بينما دموع البصل تحت المجهر تبدو كورق نبات ما، الأمر مذهل، إنه أروع اكتشاف في حياتي".



